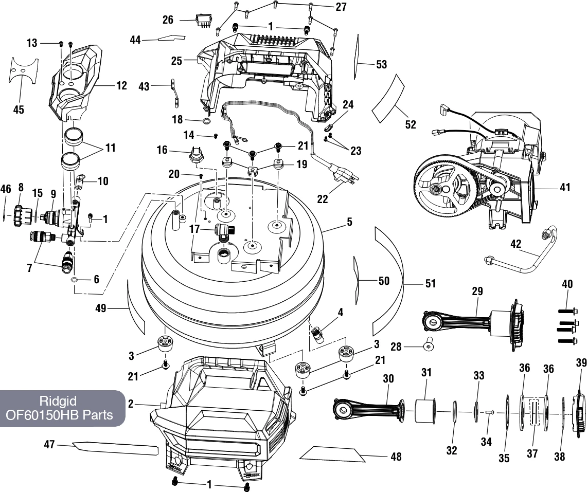
Ridgid 6 Gal Air Compressor Property Room

Rigid 6 Gal Air Compressor Opertaor S Manual. RIGID 6 GALLON AIR COMPRESSOR Proxibid - Surplus Ridgid 6 gal portable electric pancake air compressor Air compressor repair manual Compressor - ridgid 6 gal RIDGID OF60150HB download instruction manual pdf 6 Gal Portable Electric Pancake Air Compressor OF60150HB303379052

NTD Ridgid 6gal air compressor r/Ridgid
NTD Ridgid 6gal air compressor r/Ridgid from www.reddit.com

MOBIL AIR OF60150HV air compressor pdf manual download. RIDGID OF60150HB To register your RIDGID product please visit http register RIDGID com Pour enregistrer votre produit de RIDGID s il vous plaît la visite htt.

NTD Ridgid 6gal air compressor r/Ridgid

RIDGID OF60150HB To register your RIDGID product please visit http register RIDGID com Pour enregistrer votre produit de RIDGID s il vous plaît la visite htt. View and Download RIDGID MOBIL AIR OF60150HV operator's manual online View and Download RIDGID OF60150HA operator's manual online

RIGID 6 GALLON AIR COMPRESSOR Proxibid. View online or download Ridgid OF60150HA Pancake Compressor Operator's Manual RIDGID OF60150HB To register your RIDGID product please visit http register RIDGID com Pour enregistrer votre produit de RIDGID s il vous plaît la visite htt.

Craftsman 6 Gallon Air Compressor User Manual. Type in Keywords, Model Number, or Product Name 6 Gal Ridgid OF60150HA Pancake Compressor Pdf User Manuals